0
Cart
Van's Sports Center
Home
Marine Parts
Used Outboard Motors
New Outboard Motors
Accessories
About Vans
Home
Marine Parts
Used Outboard Motors
New Outboard Motors
Accessories
About Vans
Your cart (0)
Home
>
Marine Parts
>
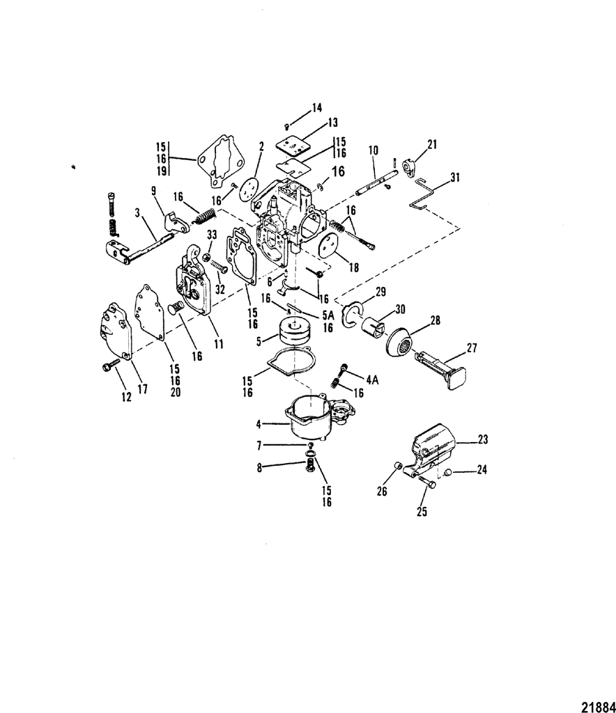
Carburetor Assembly(SeaPro/Marathon 10)
Carburetor Assembly(SeaPro/Marathon 10)
$ 89.00
Default Title - $ 89.00
1
test part
Tweet
Pin It